首页
部门概况
机构设置
部门职责
权利清单
部门动态
通知公告
信息公开
校园规划
规划概况
规划图
工程建设
规章制度
学校规章
部门制度
办事流程
下载专区
校园建筑
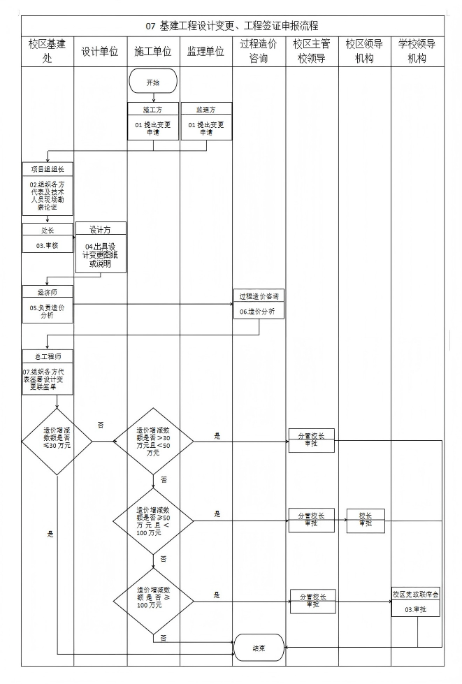
基建工程设计变更、工程签证申报流程
作者:基建处
发布时间:2025-10-06
浏览次数:
11
编辑:基建处
地址:山东省威海市高区文化西路2号
电话:0631-5687982
哈尔滨工业大学(威海)规划建设处
哈尔滨工业大学(威海)规划建设处制作维护